首页
我是工厂
采购询盘
加工订单
发布供应
我是买家
供应资源
寻找工厂
加工询价
加工工艺
工业配件
工业基地
中文(简体)
中文简体
English
Ελληνικά
ภาษาไทย
한국어
Português
Tiếng Việt
Español
Nederlands
العربية
日本語
Latina
Pусский
Français
登录/注册
加工询价
加工询价
首页
加工询价
缩略图
标题
数量
材质
类型
报价截止日期
来自国家
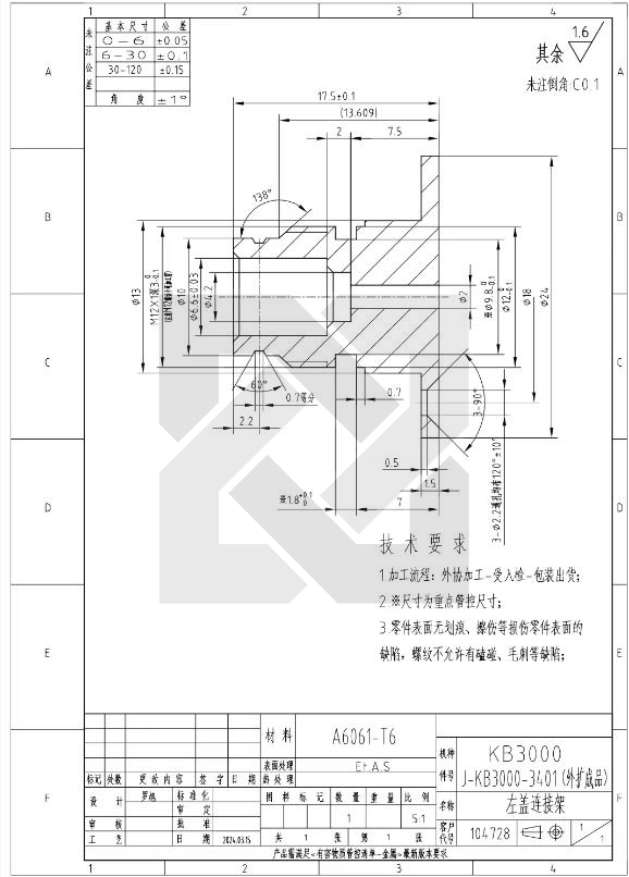
如图这款振膜硅胶加工
5万个
未要求
五金配件
2025-10-25
报价
如图五金螺母加工
每次50-100w只
未要求
机加工
2025-10-25
报价
如图不锈钢零切件加工
11吨
未要求
机加工
2025-10-25
报价
寻找做镀硬铬加工厂
长期合作
未要求
机加工
2025-10-25
报价
求购这款芯子
1批
未要求
电子装置
2025-10-25
报价
如图五金压型板加工
询价
未要求
五金配件
2025-10-25
报价
求购掘进机用本质安全型操作箱
1批
未要求
五金配件
2025-10-25
报价
求购此款配件烟嘴
现货
未要求
塑料制品
2025-10-25
报价
如图这款机加工件外发加工
每月都要
未要求
机加工
2025-10-25
报价
求购五金半元头螺丝
2吨
未要求
五金配件
2025-10-25
报价
求购五金圆管
14+25根
未要求
五金配件
2025-10-25
报价
如图五金螺栓采购加工
40吨
未要求
五金配件
2025-10-25
报价
求购五金磁铁
50万片
未要求
五金配件
2025-10-25
报价
求购风机过滤器网组
首单10套/长期翻单
未要求
五金配件
2025-10-25
报价
如图屏蔽罩和散热片冲压加工
每款用量100000件
未要求
机加工
2025-10-25
报价
求购如图两个规格的磁环
长期合作
未要求
五金配件
2025-10-25
报价
如图硅钢定子需要外发加工
每月20万起量
未要求
机加工
2025-10-25
报价
寻找做陶瓷台灯的加工厂
出口
未要求
电子装置
2025-10-25
报价
寻找能做铁管缩口机的厂家
有量
未要求
机加工
2025-10-25
报价
如图两款五金件外发机加工
500套
未要求
机加工
2025-10-25
报价
首页
上一页
..
86
87
88
89
90
91
92
..
下一页
友情链接:
Vòng bi
|
Bearing
|
Copyright © 2010 - 2019 SourcHub(商群汇) All Rights Reserved.
ICP-11005117